DAYLIFF FLEN packaged Fire Sets are specially designed to provide automatic water supply to fixed automatic sprinkler firefighting installations. Pump sets combine single duty diesel and electric powered supply main pumps to ensure serviceability in all conditions as well as a jockey pump to maintain system pressure. The fire sets are certified by KEBS for assembly in conformity to BS EN 12845 standard to ensure high reliability. Particular features include: -
- Individual electric motor and diesel engine powered pump sets providing standby supply in event of electrical power failure.
- Separate automatic jockey pump to maintain system pressure restricting start of main pumps to at least one open sprinkler.
- Independent control panels for each pump with EN 12845 compliant control units.
- Double self-disabling type pressure switches providing automatic starting of the main electric and diesel pump(s)
- Main pumps of back pull-out design and stable curves with spacer couplings to allow inspection of the hydraulic parts without disconnection of the piping, motor, or engine
- Vibration dampening system on diesel engine-driven pump sets consisting of rubber anti-vibration expansion joints that reduce the amount of the vibrations produced by the diesel engine reaching the system.
For all firefighting applications high levels of equipment performance and dependability are vitally important for the protection of both lives and property. Dayliff FLEN Fire Sets combine quality components for optimal operational efficiency with high pumping efficiency and competitive pricing to provide effective, reliable, and easy to install firefighting solutions certified to accepted insurance performance standards.
SPECIFICATIONS
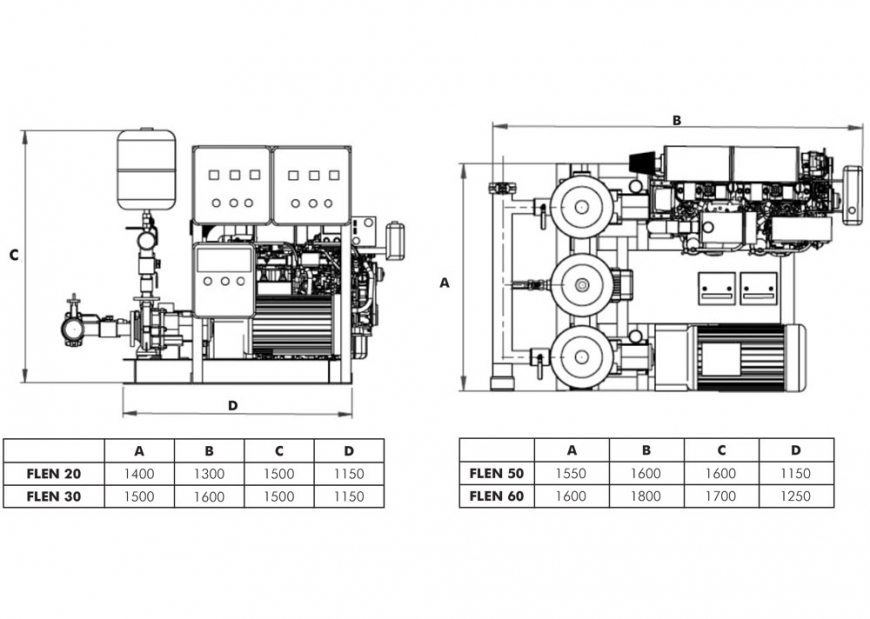
Supply Pumps: Dayliff DE end suction bare shaft pumps featuring gland packing seal and heavy-duty cast-iron construction with bronze impellers. Pump models are selected to meet the design pressure and flow rates. Detail performance curves are available on request.
Diesel Engine: Non overloading Dayliff DLY engine suitably rated for pump load, alternative engines being available on request. Includes positive suction head metallic fuel tank sized for 6hrs of continuous operation at full load.
Electric Motor: Non overloading TEFC squirrel cage electric motors suitably rated for the pump load.
Jockey pump:Dayliff multistage pump fitted with electric motor.
Pressure Vessel: Low maintenance diaphragm type pressure vessel to regulate the jockey pump cycling.
Piping: Suction is supplied with flange connection with an optional suction kit (available on request). The suction kit consists of an eccentric taper. Suitably sized piping to ensure low velocity suction requirements as per Standard with provisions for automatic pump priming.
Control System: Electric and engine pump control panels with EN 12845 compliant control components. For engine starting, two separate batteries each with trickle charger are supplied providing automatic alternation of battery used for engine start.
EQUIPMENT SPECIFICATIONS
| Model |
Nominal Flow (m³/hr) |
Medium Pressure 5Bar |
Model |
Nominal Flow(m³/hr) |
High Pressure 10Bar |
Piping DIA(") |
| Electric Pump |
Diesel Pump |
Wt(kg) |
Electric Pump |
Diesel Pump |
Wt(kg) |
| Single Duty |
Pump |
Motor(kW) |
Engine |
Power(kW) |
Single Duty |
Pump |
Motor |
Engine |
Power(kW) |
| FLEN 20/5 |
20 |
DE 40-20 |
11 |
DLY40 |
25 |
590 |
FLEN 20/10 |
20 |
DE40-32H |
30 |
DLY60 |
40 |
670 |
4 |
| FLEN 30/5 |
30 |
DE 50-20 |
18.5 |
DLY40 |
25 |
820 |
FLEN 30/10 |
30 |
DE50-32H |
45 |
DLY80 |
60 |
1520 |
| FLEN 50/5 |
50 |
DE 65-20 |
30 |
DLY60 |
40 |
900 |
FLEN 50/10 |
50 |
DE50-32H |
55 |
1540 |
| FLEN 60/5 |
60 |
DE 80-20 |
45 |
DLY80 |
60 |
1040 |
FLEN 60/10 |
60 |
DE62-32H |
55 |
6 |