Treatment by Ultra Violet light is a proven and highly effective method of eliminating harmful bacteria from drinking water supplies. The process has many advantages including no chemical additions to the water, negligible operating costs and security being both inherently safe and impossible to overdose. It works on the principal that UV light at a specific wavelength is lethal to infectious micro-organisms as it destroys their ability to reproduce and thus renders them harmless. The process protects against most types of bacteria including legionella, salmonella, faecal coliform, e-coli, influenza, hepatitis and dysentery bacilli and is one of the safest and easiest ways to provide pure, sanitised drinking water.
Using this effective technology DAYLIFF UV Purifiers have been carefully designed to incorporate all the benefits of the process into reliable and effective treatment packages particularly applicable for smaller commercial, institutional and domestic applications. Design dosage at the rated flows is approximately 30,000μWsec/cm², a rate of 16,000μWsec/cm² being sufficient to destroy most common forms of bacteria. Three standard sizes 500, 1000l/hr and 2000l/hr are available, though larger capacities can be accommodated by simply incorporating a number of units in parallel. UV units are available either as stand alone items or board mounted, together with a cartridge pre-filter and a control unit that indicates power ‘on’ and lamp ‘on’. Particular features include:-
-
AISI 304 stainless steel treatment chamber with an effective sleeve sealing arrangement that is simple to disassemble for sleeve and lamp cleaning and maintenance.
-
High purity quartz lamp sleeve.
-
High efficiency 254nm wavelength UV mercury vapour quartz lamps.
Pure water is an essential requirement for healthy living and there is ever increasing awareness of the dangers from contaminated supply. DAYLIFF UV Purifiers provide all the benefits of the UV treatment process in effective, economical treatment units that can be relied on for years of trouble free operation. Whenever there is a requirement for clean, pure water there is no other better solution than a DAYLIFF UV Purifier.
RAW WATER QUALITY
The effectiveness of UV treatment is determined by the clarity of the incoming water as suspended particles and discolouration can shield the micro organisms from the UV light. It is therefore of the greatest importance that the incoming supply is adequately pretreated to ensure effective treatment, the following criteria being required:
clarity <5NTU, suspended solids <10ppm, magnesium <0.05ppm, iron
LAMP LIFE
UV lamps lose approx 6% intensity every 1000hrs operation so to maintain effective dosage lamps must be changed after a maximum of 8000hrs operation (approximately one year of continuous usage). Dayliff UV Purifiers are specified to provide a safe dosage at up to 60% intensity levels.
OPERATING CONDITIONS
Max Operating Pressure: 6 Bar
Max Ambient Temp: 45°C
Max Water Temp: 35°C
OPERATING CONDITIONS
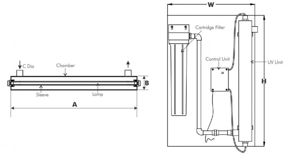
| Model |
Lamp Power (Watts) |
Max Flow Rate (lit/hr) |
Dimensions |
Weight(kg) |
| A |
B |
C Dia |
H |
W |
| UV 500 |
16 |
500 |
330 |
65 |
1” |
500 |
500 |
6 |
| UV 1000 |
25 |
1000 |
550 |
65 |
1" |
700 |
500 |
7 |
| UV 2700 |
55 |
2700 |
910 |
65 |
1" |
1000 |
500 |
17 |