The Dayliff DDJ Centrifugal jet type pumps is specifically designed for all small scale domestic and commercial water supply uses. It features an integral ejector unit to provide highly effective self priming performance. The pump body is made from cast iron, the ejector and impeller from engineering plastic.
MOTORS
Pumps are close coupled to reliable TEFC electric motors designed for continuous operation and are provided with a thermal cutout to protect against electrical overload. They can be connected directly to the mains power supply through a 10A fuse or MCB.
Enclosure Class: IP44
Insulation Class: F
Speed: 2900rpm
Voltage:1x240V
OPERATING CONDITIONS
Pumped Liquid: Thin, clean, chemically non-aggressive liquids without solid particles or fibres
Max. Fluid Temperature: +50°C
Max. Ambient Temperature: +40°C
Max. Suction Lift: 9m at sea level
PUMP DATA
| Model |
Power(kW) |
Current(A) |
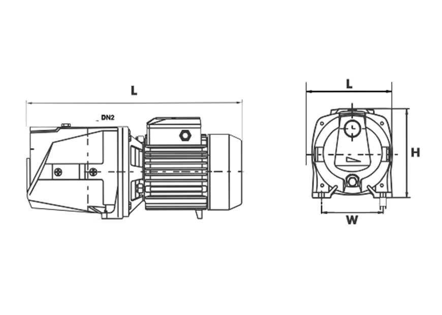
Dimensions (mm) |
Weight(kg) |
| Inlet(") |
Outlet(") |
L |
W |
H |
| DDJ 750 |
0.75 |
5.2 |
1 |
1 |
435 |
191 |
200 |
17 |
| DDJ 1100 |
1.1 |
7 |
1.25 |
1 |
515 |
209 |
218 |
32 |