Mobile Water Treatment Plants (MWTP)



With production capacities up to 100,000 lit per day, the Dayliff Mobile Water Treatment Plants are designed to be deployed quickly wherever temporary or emergency potable water is needed and accommodate a wide variety of feed sources including saline, turbid or highly mineralized water.

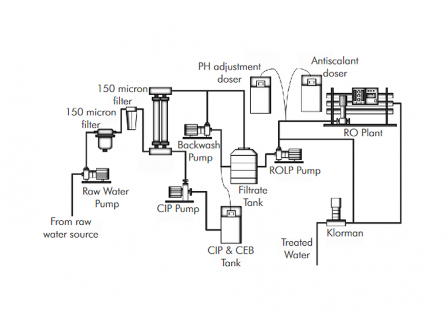
The system is fully enclosed in either standard 20ft or 40ft containers or can be trailer mounted and includes raw water pumps, supply pumps, storage tanks and a diesel generator. Smaller solar powered versions are also available. Dayliff MWTPs are designed to withstand the most challenging environments with piping systems engineered to survive heavy vibrations and galvanized/powder coated frames to resist corrosion.

Systems are frame mounted with all components conveniently accessible and are designed to provide low energy consumption and long life. Dayliff MWTPs are available in custom configurations and use a variety of technologies depending on the customer's feed water conditions, desired application and final product water quality requirements including Multi Media Sand/Activated Carbon Filtration, Ultra Filtration, Reverse Osmosis, Chlorination and/or Ultraviolet Light Disinfection. All offer the following features:-

  • Diesel Generator with automatic control (optional)
  • Raw Water and Feed Pumps with Hoses, 100 Micron Strainer and Foot Valves
  • Electronic controller to fully automate plant operation including startup, periodic flush cycle and shut down as well as providing various system alarms
  • System monitoring accessories including inlet and outlet flow meters, pressure gauges and conductivity meter.
  • Corrosion resistant/vibration resistant high and low pressure pipes and pipe fittings.
  • Weather Proof, strong and rust free enclosures.

Dayliff MWTPS are highly efficient, easy to operate and simple to maintain and offer the ideal solution for remote sites, temporary or emergency deployments.

OPERATING PARAMETERS
Operating Pressure: Ranges between 12 Bar and 20 Bar depending on raw water quality
Raw Water Quality: Raw Water Turbidity up to 100NTU, TDS level of up to 5,000ppm. A raw water analysis should be provided to establish the extent of pre-treatment necessary.
Recovery Range: 50% - 75% depending on raw water quality