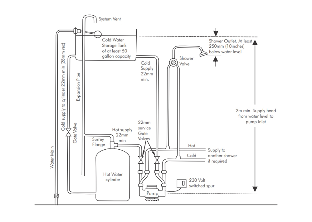
Grundfos STR2/STN twin impeller shower pumps have been specially designed for boosting performance of low pressure gravity feed shower installations to provide increased water flows at consistent pressure and temperature. The pumps incorporate a single motor powering two pump heads, one each for hot and cold water and are fitted with an in-built flow sensor for STR2 and both pressure switch and flow switch for STN to automatically start operation on demand.
The pumps incorporate a number of innovative design features including:-
- Non corrosive engineering plastic for STR2 and a heavy duty brass impeller and body for STN
- A low noise motor with anti-vibration feet for quiet operation.
- Fully automatic switching by an integral flow switch for STR2 and a combination of pressure and flow switch for STN.
- Supplied complete with braided stainless steel hoses suitable for either ½'' or ¼'' pipe connections complete with push fit fittings.
- Integral easy clean inlet filters to remove suspended particles.
- Auto re-setting safety thermal cut-out for motor protection.
- Regenerative impeller design to overcome air pockets
All Grundfos STR2 and STN pumps undergo a rigorous 3 stage testing process to give assured quality, performance and safety. They also conform to prevailing UK and EU standards and provide an effective and economical solution to all domestic shower power boosting requirements.
OPERATING DATA
| Model |
STR2-1.5C |
STR2-2.0C |
STN-4.0B |
| Max Output Pressure |
1.5 |
2 |
4 |
| Max. Operating Pressure |
3 |
6 |
| Inlet Head |
1m min, 8m max |
| Minimum Start Flow |
0.5l/min |
| Cut-in/Cut Out Pressure |
N/A |
2Bar/2.5Bar |
| Max Liquid Temperature |
60°C |
| Motor Specification |
340Watts, 240V, 50Hz |
420Watts, 240V, 50Hz |
790Watts, 240V, 50Hz |
| Max Current |
1.5A |
1.8A |
3.6A |
| Enclosure |
IPX2 |
| Electrical Connection |
Through 5A fuse, earthing must be provided |
10A fuse |
| Noise Level |
< 55 to 65dB (A) at 1m |
< 55 to 70dB (A) at 1m |
| Dimensions(mm), LxWxH |
235x150x165 |
353x232x287 |
| Weight (Kg) |
5 |
12 |