The Dayliff DDS pump is of centrifugal single impeller non-self priming design with a close coupled electric motor and the hydraulic end including the pump body, back plate and impeller are made of 304 stainless steel. They are particularly suitable for drainage, agriculture and industrial application for slightly corrosive liquids or where high level of liquid purity is required.
MOTOR
The pump is close coupled to a single phase motor designed for continuous duty. It is provided with a thermal cutout for overload protection and can be connected directly to the mains power supply though a 13A power on MCB.
Enclosure Class: IP54
Insulation Class: F
Voltage: 1x240V
Speed: 2900rpm
OPERATING CONDITIONS
Pumped Liquid: Thin, slightly aggressive liquids without solids or fibres
Max Liquid Temp: 60°C
Max Ambient Temp: 40°C
Max Suction Lift: 9m (at sea level)
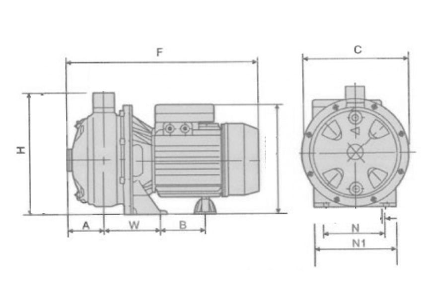
PUMP DATA
| Model |
Power(kW) |
Current(A) |
Inlet BSP(") |
Outlet BSP(") |
Dimensions (m) |
Weight(kg) |
| A |
B |
C |
F |
H |
N |
N1 |
W |
| DDS 750 |
0.75 |
5.2 |
1¼ |
1 |
52 |
82 |
213 |
315 |
232 |
120 |
158 |
92 |
14 |